
|
Mein PIC-Prommer ist nun "schon etwas in
die Jahre gekommen", der Aufbau ist etwas sehr primitiv, und die Handhabung
ist auch nicht gerade angenehm. Und da ich nun auch gelegentlich (alte) EPROMs
auslesen wollte, ohne dafür jedes Mal (auf die Schnelle) eine kleine
Schaltung aufzubauen, musste ich mir so langsam mal Gedanken über die
Neukonstruktion eines Prommers machen.
Ja, manche Leser mögen mich nun fragen "Warum kaufst du dir nicht
einfach ein entsprechendes Gerät? Die können doch einer Menge
verschiedener Chips programmieren". Das ist durchaus richtig, aber wenn
ich mir die Preise von "brauchbaren" Programmiergeräten so
ansehe (meist mehrere hundert €), und dann noch lesen muss "mit
Software" (ohne Angabe des Betriebssystems), dann weiss ich schon, daß
es für mich unbrauchbar ist. Und bei einem Selbstbau wird man ja auch
nicht gerade dümmer...
|
|
Überlegungen zur Konstruktion
|
Für das Auslesen und die Neuprogrammierung von alten EPROMs hatte ich vor
Jahren mal ein entsprechendes Gerät, welches ich dummerweise mal verliehen
(und natürlich nicht mehr wieder bekommen) habe. Eine Suche in meinen alten
Unterlagen förderte tatsächlich noch einen Schaltplan
("Ludi-Prommer"?) zutage, den ich erst einmal in
KiCad nachzeichnete, um die
Funktionsweise zu ergründen.
Hmm, zu diesem Konstrukt habe ich sogar noch etwas Quellcode (in Pascal)
gefunden, was ich hätte in "C" umschreiben können, um ein
solches Gerät auch unter Linux zu betreiben. Nur welcher heutige PC hat
noch eine Parallel-Schnittstelle? Es mag zwar auch Adapter von "USB auf
Parallel" geben, nur ob die auch die "kreative Verwendung der Portbits
(bidirektional!)" noch unterstützen, ist doch sehr fraglich...
Aber die Verwendung der "Portexpander"-Chips gefiel mir, zumal ich
noch ein paar davon in meinem Fundus entdeckte. Wenn ich die nun mit einem
Microcontroller ansteuere, der eine (eher übliche und universelle) serielle
Schnittstelle hat, ...
|
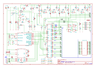
Der neue Schaltplan
Der Aufbau der Hardware
Die Firmware des Microcontrollers
Das Steuerungsprogramm
Das "Material"
|
Das hier angebotene Material unterliegt der Creative Commons Lizenz
"CC BY-NC-SA".
|
|
prommer_V1.1.tgz Archiv mit allen benötigten KiCad-Dateien.
|
|
fw_prommer_V07.tgz Quellcode und Hexfile für den Microcontroller.
|
|
multiprom.V0.1.5.tgz Quellcode des Steuerungsprogramms.
|
Hinweise für Nachbauwillige:
Wer diese Konstruktion nachbauen möchte, sollte über etwas Kenntnisse der Herstellung doppelseitiger Leiterplatten, dem Umgang mit PIC-Mikrocontrollern, und ggf. auch mit der Programmierung in PIC-Assembler und "C" haben. Es handelt sich hierbei nicht um einen Bausatz, sondern eher um eine Anregung für eigene Konstruktionen. Alles, was ich dazu anbieten kann, befindet sich auf dieser Seite, d.h. Nachfragen nach fertigen Geräten oder Bausätzen sind zwecklos → Ich "produziere" ausschliesslich für den Eigenbedarf.
Für die Funktionalität und Nachbausicherheit dieser Konstruktion kann ich keinerlei Verantwortung übernehmen. Die hier angebotenen Schaltpläne, Layouts, Quell- und Hexcodes unterliegten der Creative Commons Lizenz "CC BY-NC-SA" Eine kommerzielle Verwertung dieses Materials (oder auch von Teilen davon) ist nur mit meiner ausdrücklichen Genehmigung zulässig.
Startseite Hardware Rechtliches Kontakt Darstellung